Einfaches, aber sehr effektives Schweißscharnier. Diese Art von Anschweißscharnieren sollten Sie wählen, wenn Sie Türen, Fenster oder Rollläden in Feuchträumen montieren müssen.
Die Anschweißscharniere sind aus Edelstahl AISI 304 gefertigt, was bedeutet, dass es sich um korrosionsbeständige Scharniere handelt. Für dieses Scharnier wird die Edelstahlqualität 304 verwendet, da es einfacher zu schweißen ist.
Ein großer Vorteil ist, dass durch die Verwendung eines Anschweißscharniers die Tür, das Fenster oder die Luke um 180° geöffnet werden können, um einen freien Durchgang zu schaffen.
Bei diesem vielseitigen Anschweißscharnier für Stahltüren sind Ring und Stift ebenfalls aus Edelstahl.
Vermeiden Sie Schweißspritzer und verwenden Sie zum Schweißen von Scharnieren das professionelle Schweißspray IBFM.
Lieferung und Preis beziehen sich auf eine Packung mit 24 Stück.
| Verpackungseinheit (Stück) | 24 |
| Kapazität pro 2 (KG) | 40 |
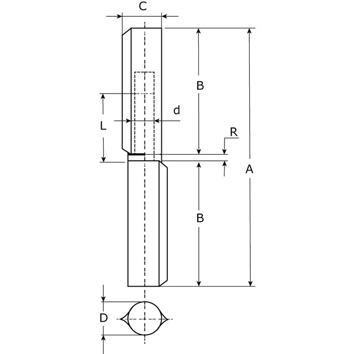
A (mm) |
80 |
B (mm) |
39 |
C (mm) |
13 |
D (mm) |
11 |
d (mm) |
7 |
L (mm) |
17 |
R (mm) |
2 |







