Suchen Sie nach einer nachhaltigen Lösung zum Aufhängen Ihrer Stahltüren, Fenster oder Rollläden? Die Paumelle aus Stahl mit Messingstift und -ring ist die ideale Lösung. Dieses schwerere Scharnier kann an vielen Stellen eingesetzt werden, insbesondere bei Türen, die sehr oft benutzt werden. Ein großer Vorteil ist, dass durch die Verwendung eines Anschweißscharniers die Tür, das Fenster oder die Luke um 180° geöffnet werden können, um einen freien Durchgang zu schaffen.
Das vielseitige Anschweißscharnier für Stahltüren verfügt über einen Stift und Ring aus Messing, der für eine optimale Schmierung und damit für eine lange Lebensdauer sorgt. Die Hochwertigkeit dieses DX-Schweißscharniers erkennen Sie an der breiteren Schweißkante, aber auch an der zusätzlichen Länge und Dicke des Stifts, sodass der konvexe Knoten praktisch kein Spiel hat.
Vermeiden Sie Schweißspritzer und verwenden Sie zum Schweißen von Scharnieren das professionelle Schweißspray IBFM.
Lieferung und Preis beziehen sich auf eine Packung mit 12 Stück.
| Verpackungseinheit (Stück) | 12 |
| Kapazität pro 2 (KG) | 80 |
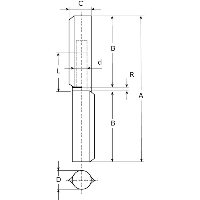
A (mm) |
160 |
B (mm) |
79 |
C (mm) |
25 |
D (mm) |
20 |
d (mm) |
14 |
L (mm) |
41 |
R (mm) |
2 |



