Wenn Sie Stahltüren haben, die Sie in feuchten Bereichen automatisch schließen möchten, können Sie sich für dieses Edelstahlscharnier mit Feder entscheiden. Dieses Scharnier hält garantiert mindestens 500.000 Bewegungen. Dadurch kann das Scharnier an vielen Orten eingesetzt werden, von einer Bohrinsel bis zum Boden oder Wasser, aber auch an Orten mit hohen Temperaturen. Es wird Edelstahl 304 verwendet, da dieser besser schweißbar ist. Der Stift ist aus AISI 316-Qualität.
Da sich ein Anschweißscharnier um 180° öffnen lässt, schaffen Sie einen freien Durchgang. Der Stiftteil und der Lochteil können separat angeschweißt werden, was das Schweißen erleichtert.
Die Schließgeschwindigkeit können Sie ganz einfach durch Spannen des Federmechanismus mit einem Inbusschlüssel einstellen.
Verhindern Sie Schweißspritzer und verwenden Sie für den Schweißabstand das Profi-Schweißspray IBFM.
Die Lieferung und der Preis beziehen sich auf eine Packung mit 2 Stück.
| Verpackungseinheit (Stück) | 2 |
| Tragfähigkeit pro 2 (kg) | 20 |
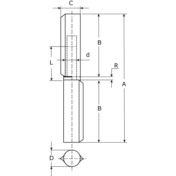
A (mm) |
120 |
B (mm) |
63 |
C (mm) |
21 |
D (mm) |
18 |
d (mm) |
12 |
L (mm) |
36 |
R (mm) |
3.5 |








