Dieses Stahlschweißscharnier mit Schmiernippel sorgt für einen dauerhaft reibungslosen Betrieb. Obwohl um den Stahlstift ein Messingring verwendet wird, der selbstschmierend wirkt und den Stahl schützt, empfiehlt es sich bei schweren Türen, in staubiger Umgebung ein Scharnier mit Schmiernippel zu verwenden.
Der Schmiernippel an der Oberseite des Schweißscharniers ermöglicht es Ihnen, das Scharnier regelmäßig zu schmieren, um einen möglichen Verschleiß auf ein Minimum zu reduzieren. Es wird die Lebensdauer erheblich verlängern. Daher ist dieses Scharnier ideal für den Einsatz an Krantüren oder Maschinentüren, die regelmäßig geöffnet und geschlossen werden.
Der große Vorteil eines Anschweißscharniers besteht darin, dass die Tür oder Klappe vollständig um 180° geöffnet werden kann, was Ihnen den Raum gibt, einen freien Durchgang zu schaffen.
Vermeiden Sie Schweißspritzer und verwenden Sie zum Schweißen von Scharnieren das professionelle Schweißspray IBFM.
Lieferung und Preis beziehen sich auf eine Packung mit 24 Stück.
| Verpackungseinheit (Stück) | 24 |
| Kapazität pro 2 (KG) | 40 |
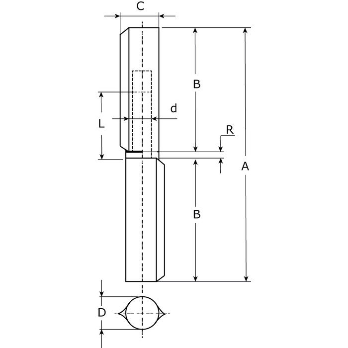
A (mm) |
80 |
B (mm) |
39 |
C (mm) |
13 |
D (mm) |
12 |
d (mm) |
7 |
L (mm) |
17 |
R (mm) |
2 |








