Wenn Sie Stahltüren haben, die Sie in Feuchträumen automatisch schließen möchten, können Sie sich für dieses Edelstahlband mit Feder entscheiden. Dieses Scharnier hält garantiert mindestens 500.000 Bewegungen aus. Dadurch kann das Scharnier an vielen Orten eingesetzt werden, von einer Bohrinsel bis hin zu Erdreich oder Wasser, aber auch an Orten mit hohen Temperaturen. Edelstahl 304 wird verwendet, weil er besser schweißbar ist. Das Material des Kugellagers ist ebenfalls Edelstahl.
Da ein Schweißscharnier um 180° geöffnet werden kann, können Sie einen freien Durchgang schaffen. Der Stiftteil und der Lochteil können getrennt voneinander geschweißt werden, was das Schweißen erleichtert.
Die Schließgeschwindigkeit stellen Sie ganz einfach durch Drehen des Federmechanismus mit einem Inbusschlüssel ein.
Vermeiden Sie Schweißspritzer und verwenden Sie zum Schweißen von Scharnieren das professionelle Schweißspray IBFM.
Lieferung und Preis beziehen sich auf eine Packung mit 2 Stück.
| Verpackungseinheit (Stück) | 2 |
| Kapazität pro 2 (KG) | 60 |
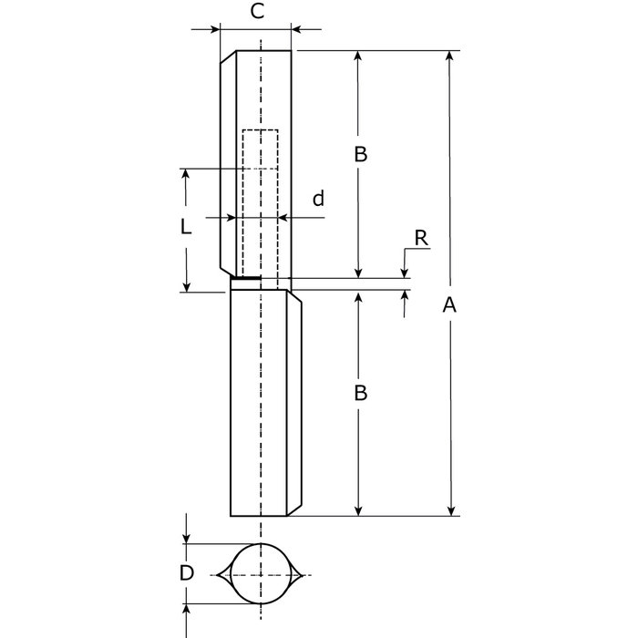
A (mm) |
180 |
B (mm) |
91 |
C (mm) |
21 |
D (mm) |
18 |
d (mm) |
12 |
L (mm) |
64 |
R (mm) |
8 |








