Choisissez cette charnière à souder si vous devez installer des portes, des fenêtres ou des volets dans des pièces humides. Les charnières à souder sont en acier inoxydable AISI 304, ce qui signifie qu'il s'agit de charnières résistantes à la corrosion. L'acier inoxydable de qualité 304 est utilisé pour cette charnière car il est plus facile à souder.
Un avantage majeur est qu'en utilisant une charnière à souder, la porte, la fenêtre ou la trappe peuvent être ouvertes à 180° pour créer un passage libre.
Avec cette charnière à souder polyvalente pour portes en acier, l'anneau et l'axe sont également en acier inoxydable. Vous remarquerez la haute qualité de cette charnière à souder DX en raison du bord de soudage plus large, mais aussi en raison de la longueur et de l'épaisseur supplémentaires de la goupille, de sorte qu'il n'y a pratiquement aucun jeu sur le nœud convexe.
Évitez les projections de soudure et utilisez le spray de soudage professionnel IBFM pour souder les charnières.
La livraison et le prix sont pour un pack de 6 pièces.
| Unité d'emballage (pièces) | 6 |
| Capacité par 2 (KG) | 60 |
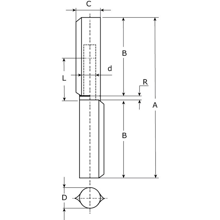
A (mm) |
150 |
B (mm) |
74 |
C (mm) |
25 |
D (mm) |
20 |
d (mm) |
13 |
L (mm) |
40 |
R (mm) |
2 |






