Description
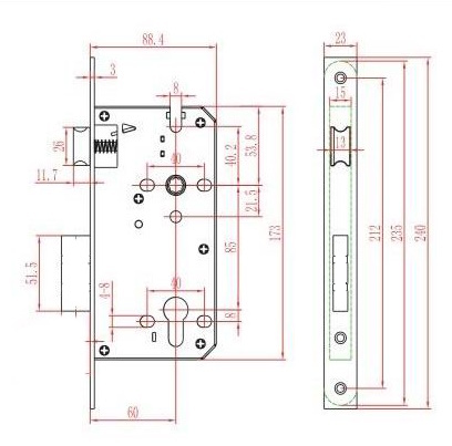
Serrure à cylindre avec axe de 85 mm - têtière droite 240 x 23 mm - entraxe de 20 à 70 mm
Code de l'article: DKS31103100
Ces serrures à cylindre étaient largement utilisées dans le passé.
Les serrures à cylindre ont un trou de cylindre avec une taille d'axe de 85 mm et sont disponibles avec un écartement de 20 mm à 70 mm (voir le menu déroulant).
La plaque frontale est droite et mesure 240 x 23 mm. Le pêne demi-tour est réversible, ce qui permet à la serrure de fonctionner dans les deux sens de rotation.
Caractéristiques:
| Taille de l'essieu (mm) : 85 |
| Largeur de la plaque avant (mm) : Plat 23 |
| Longueur de la plaque avant (mm) : 240 |
| Forme de la plaque avant : droite |
| Matériau de la plaque avant : acier inoxydable |
| Sens de rotation : Réversible |
| Écrou de manivelle ⧄ (mm) : ⧄ 8 |
| Type de commande de verrouillage : cylindre à profil européen |
| Type de fermeture : Boulon |
| Autobloquant : Non |
| Fonction panique : Sans |
