Gegarandeerd de beste prijzen
Niet goed geld terug garantie
Grootste assortiment van Europa
EUR
Toegevoegd aan winkelwagen
Bekijk winkelwagen Ga verder met winkelen
Dulimex

Aanlaspaumelles 150x20 mm RVS 304 pen en ring / 6 stuks

Aan verlanglijst toevoegen
€191,01 €159,17 €192,60 Incl. btw
Stukprijs: €22,20 / 26.528925619835
Gratis verzending
- +
Geleverd binnen: 4-5 Dagen
Verzending naar Nederland en België
Niet goed geld terug garantie
Voor particulieren én professionele klanten
7298 klanten beoordelen ons met een 9.6
Word zakelijke klant en profiteer van voordelige inkoopprijzen! Klik hier om een account aan te vragen.
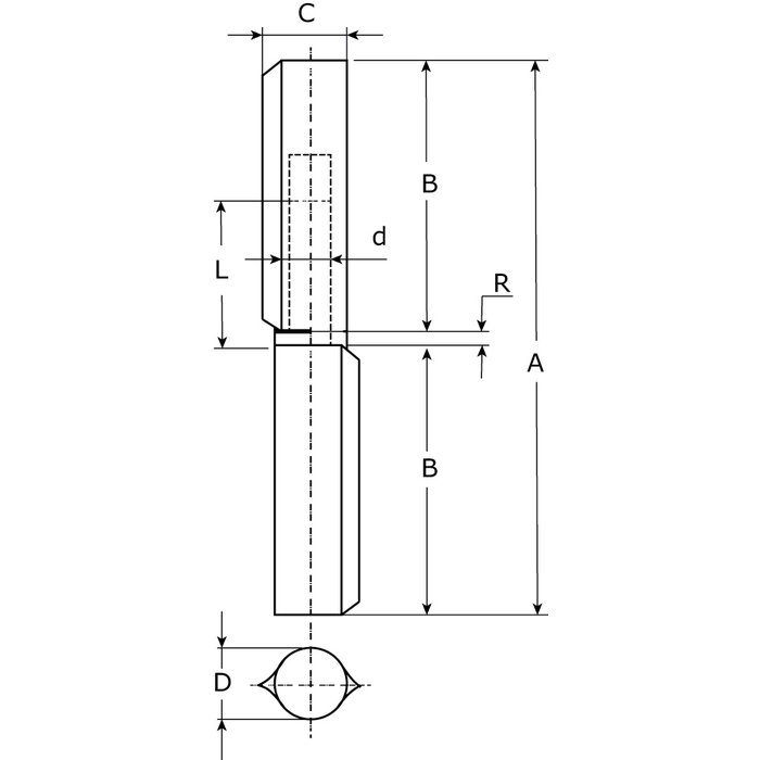
Beschrijving Aanlaspaumelles 150x20 mm uit RVS AISI 304 met RVS pen en ring - 6 stuks
Artikelcode: DS6510.002.1512

Voor deze aanlaspaumelle kies je als je deuren, ramen of luiken moet instaleren in vochtige ruimtes. De aanlaspaumelle is gemaakt uit roestvast staal AISI 304 wat wil zeggen dat het om corrosiewerende Paumelles gaat. Men gebruikt voor deze paumelle RVS kwaliteit 304 omdat deze beter lasbaar is.

Een groot voordeel is dat men door gebruik te maken van een aanlaspaumelle de deur, raam of luik 180° geopend kan om een vrije doorgang te creëren.

Bij deze veelzijdige aanlaspaumelle voor op stalen deuren is ook de ring en de pen uit RVS. De hoge kwaliteit van deze DX aanlaspaumelle merk je door de bredere laskant maar ook door de extra lengte en dikte van de pen waardoor er praktisch geen speling is op de bolle knoop.

Voorkom lasspatten en maak gebruik van de professionele lasspray IBFM voor aanlaspaumelles.

De levering en prijs is voor één verpakking van 6 stuks. 

Verpakkingseenheid (stuks) 6
Draagkracht Per 2 (KG) 60
A (mm) 150
B (mm) 74
C (mm) 25
D (mm) 20
d (mm) 13
L (mm) 40
R (mm) 2
Reviews Help ons en andere klanten door het schrijven van een review Geen reviews gevonden Je beoordeling toevoegen
Categorieën
Deurklinken Deurbeslag Scharnieren Meubelgrepen Deurgrepen Raamkrukken Espagnoletten Deurknoppen Deurstoppers Veiligheidsbeslag Sloten Cilinders Deurdrangers / deurpompen Schuifdeurkommen Huisnummers Schuifdeursystemen Patrijspoorten Deurvastzetters Pictogrammen Brievenbussen Deurbeldrukkers Keukenaccessoires Interieurafwerking Kapstokken & haken Trapleuninghouders Deuropvangers Stormkettingen Plankdragers Magneetsnappers Kluizen Badkamer- en WC accessoires BUSTER+PUNCH APRILE DESIGN FORMANI HALCÖ beslag X7.ZO LOCINOX Kit / Lijm / PUR/Spray PROJECT DEALS Speciale aanbiedingen Nieuwe producten Accessoires Cadeaubonnen Sale Merken Over ons Showroom Klantenservice Mijn account EURUSD Nederlands Deutsch English Français