Gegarandeerd de beste prijzen
Niet goed geld terug garantie
Grootste assortiment van Europa
EUR
Toegevoegd aan winkelwagen
Bekijk winkelwagen Ga verder met winkelen
Dulimex

Aanlaspaumelles 140x16 mm blank staal met messing pen en ring / 24 stuk

Aan verlanglijst toevoegen
€137,57 €114,64 €138,72 Incl. btw
Stukprijs: €5,04 / 4.7768595041322
Gratis verzending
- +
Geleverd binnen: 4-5 Dagen
Verzending naar Nederland en België
Niet goed geld terug garantie
Voor particulieren én professionele klanten
7298 klanten beoordelen ons met een 9.6
Word zakelijke klant en profiteer van voordelige inkoopprijzen! Klik hier om een account aan te vragen.
Beschrijving Aanlaspaumelles 140x16 mm uit blank staal met een messing pen en ring voor optimale smering - 24 stuks
Artikelcode: DS6010.001.1400

Deze eenvoudige, maar toch zeer functionele aanlaspaumelle is voorzien van een bolle kop en een zelf smerende ring uit messing. Door ook voor de pen gebruik te maken van messing gaat men voor duurzaamheid wat een lange levensduur garandeert.

U vind zeker de juiste aanlaspaumelle tussen de verschillende maten die er van dit type verkrijgbaar zijn om op je stalen constructie te lassen. Het grote voordeel van aanlaspaumelles is dat de deur, raam of luik 180° geopend kan wat je de mogelijkheid geeft om voor een vrije doorgang te zorgen.

Om lasspatten te vermijden ben je in de mogelijkheid de aanlaspaumelle eerst in te spuiten met de professionele lasspray IBFM voor aanlaspaumelles

De levering en prijs is voor één verpakking van 24 stuks. 

Verpakkingseenheid (stuks) 24
Draagkracht Per 2 (KG) 60
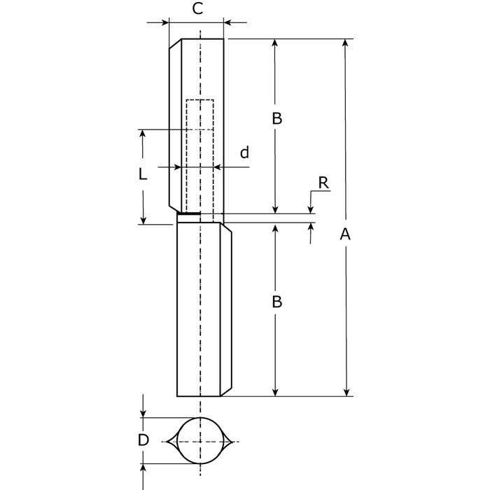
A (mm) 140
B (mm) 69
C (mm) 18
D (mm) 16
d (mm) 9
L (mm) 23
R (mm) 2
Reviews Help ons en andere klanten door het schrijven van een review Geen reviews gevonden Je beoordeling toevoegen
Categorieën
Deurklinken Deurbeslag Scharnieren Meubelgrepen Deurgrepen Raamkrukken Espagnoletten Deurknoppen Deurstoppers Veiligheidsbeslag Sloten Cilinders Deurdrangers / deurpompen Schuifdeurkommen Huisnummers Schuifdeursystemen Patrijspoorten Deurvastzetters Pictogrammen Brievenbussen Deurbeldrukkers Keukenaccessoires Interieurafwerking Kapstokken & haken Trapleuninghouders Deuropvangers Stormkettingen Plankdragers Magneetsnappers Kluizen Badkamer- en WC accessoires BUSTER+PUNCH APRILE DESIGN FORMANI HALCÖ beslag X7.ZO LOCINOX Kit / Lijm / PUR/Spray PROJECT DEALS Speciale aanbiedingen Nieuwe producten Accessoires Cadeaubonnen Sale Merken Over ons Showroom Klantenservice Mijn account EURUSD Nederlands Deutsch English Français