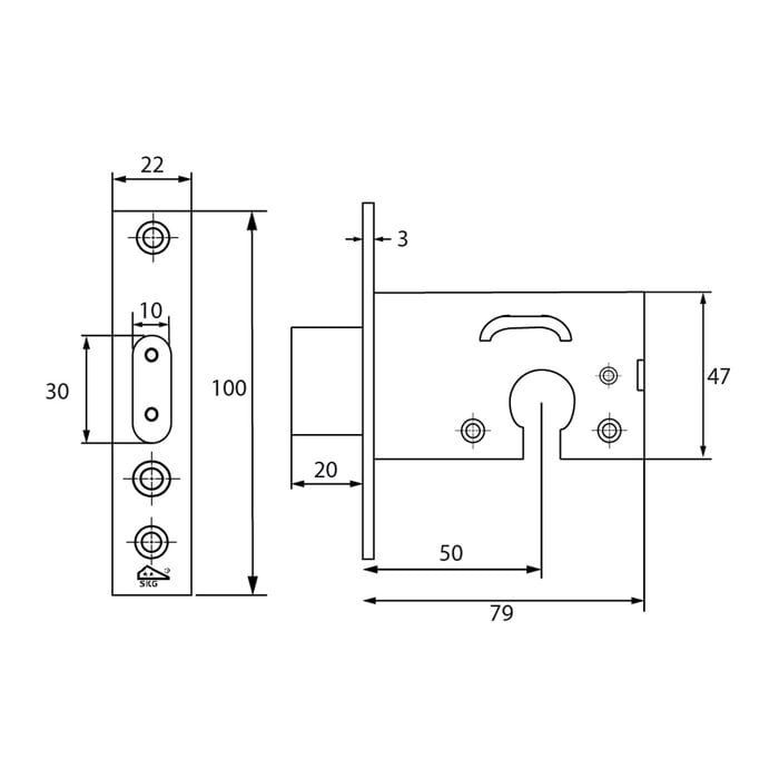
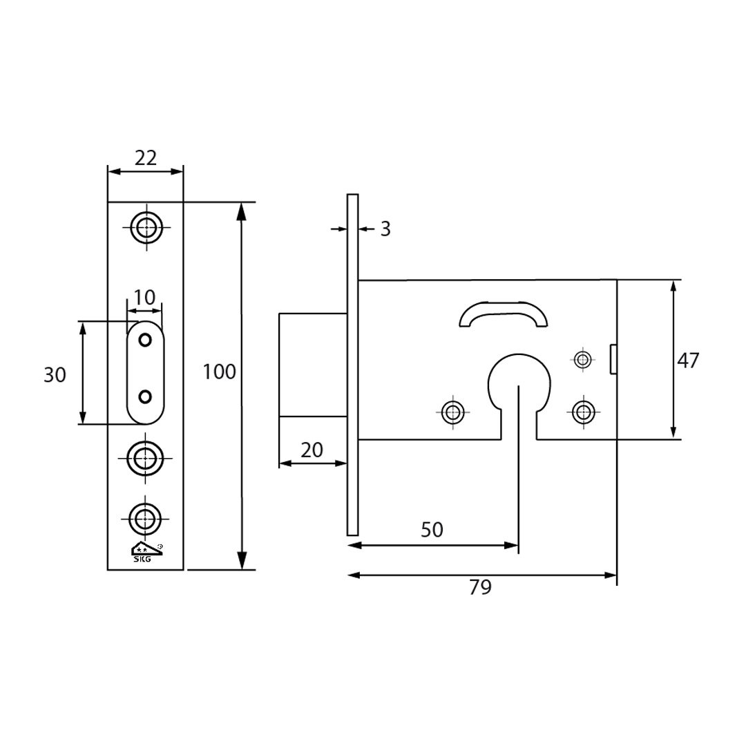
This Dulimex mortise lock with a PC hole and SKG® certification is designed for use in door and window hardware where extra security and reliability are required. Thanks to the SKG® certification, this lock meets the requirements for burglar-resistant hardware.
The mortise lock features right-angled corners , ensuring neat and easy installation in both new doors and renovation projects. The PC finish makes the lock suitable for use with cylinder fittings , making it suitable for a variety of residential and commercial environments.
This lock is often used in combination with SKG®-approved security fittings and is suitable for intensive daily use. Its solid construction and reliable operation make the mortise lock a secure choice for both residential and commercial applications.
| Product type | Mortise lock right angles |
| Material | Steel |
| Finish | Black coated |
| Standardization | SKG**® |
| Finish lock and front plate | stainless steel |
| Assembly instructions | Included |
| Delivered per | Piece |






