If you have steel doors that you would like to close automatically in humid areas, you can opt for this stainless steel hinge with spring. This hinge is guaranteed to last at least 500,000 movements. This means that the hinge can be used in many places, from an oil rig to the ground or water, but also in places with high temperatures. Stainless steel 304 is used because it is more weldable. The material of the ball bearing is also stainless steel.
Because a weld-on hinge can be opened 180°, you are able to create a free passage. The pen part and the hole part can be welded on separately, making welding easier.
You can easily set the closing speed by tightening the spring mechanism with an Allen key.
Prevent welding spatter and use the professional welding spray IBFM for weld-on spacing.
The delivery and price is for one pack of 2 pieces.
| Packing unit (pieces) | 2 |
| Carrying Capacity Per 2 (KG) | 120 |
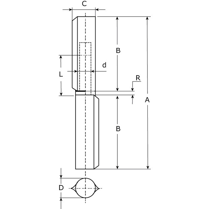
A (mm) |
235 |
B (mm) |
126 |
C (mm) |
26 |
D (mm) |
22 |
d (mm) |
16 |
L (mm) |
95 |
R (mm) |
8 |








